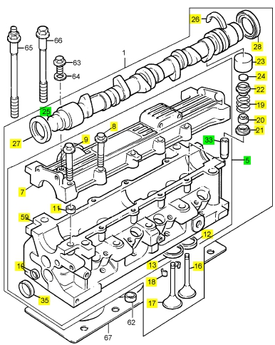
奧林匹亞柴油機珀金斯配件M145DF19汽缸蓋總成T4.20
項目 零配件號碼 最近的部分號碼
1 M145DF19 1 M145DF19 汽缸蓋
(1) M145DF19P 1 M145DF19R 汽缸蓋裝備 -EXCH
(1) M145DF19R 1 M145DF19R 汽缸蓋裝備 -EXCH
62 L381DF01 2 L381DF01 合釘
63 2314 H101 1 2314 H101 螺旋
64 2411152 1 2411152 墊圈
65 L278HF01 4 L278HF01 螺旋
66 L278CF02 6 L278CF02 螺旋
67 L681EF06 1 L681EF06 密合墊 - 汽缸蓋

項目 零配件號碼 最近的部分號碼
2 L343FF01 8 L343FF02 導入
3 L2412F01 4 0650576 栓塞
4 L2417F01 2 L2417F01I 栓塞
5 M145DF21 1 M145DF21 汽缸蓋
6 1 汽缸蓋
7 1 蓋
8 2314 H008 7 2314 H008 螺旋
9 2314 H009 4 2314 K159 螺旋
10 L2417F01 2 L2417F01I 栓塞
11 L312DF01 2 L312DF01 合釘
12 L314AF01 4 L314AF01 氣門(mén)座圈
13 L314AF11 4 L314AF11 氣門(mén)座圈
14 L343FF01 8 L343FF02 導入
15 L2412F01 4 0650576 栓塞
16 L142HF21 4 L142HF21 排氣閥
17 L142HF11 4 L142HF11 吸入口閥
18 L142WF02 16 L142WF02 閥筒夾
19 L1744F01 8 L1744F01 閥彈簧
20 K145JF02 8 K415JF02 密封
20 K415JF01 8 K415JF02 密封
20 K415JF02 8 K415JF02 氣門(mén)油封
21 L341CF01 8 K415JF02 彈簧塾圈
22 3342 T012 8 3342 T012 帽
23 K561AF01 8 K561AF01 挺桿
24 8 填隙用墊片
24 L2411F02 1 L2411F02 填隙用墊片
24 L2411F03 1 L2411F03 填隙用墊片
24 L2411F04 1 L2411F04 填隙用墊片
24 L2411F05 1 L2411F05 填隙用墊片
24 L2411F06 1 L2411F06I 填隙用墊片
24 L2411F07 1 L2411F07 填隙用墊片
24 L2411F08 1 L2411F08 填隙用墊片
24 L2411F09 1 L2411F09 填隙用墊片
24 L2411F11 1 L2411F11 填隙用墊片
24 L2411F12 1 L2411F12 填隙用墊片
24 L2411F13 1 L2411F13 填隙用墊片
24 L2411F14 1 L2411F14 填隙用墊片
24 L2411F15 1 L2411F15 填隙用墊片
24 L2411F16 1 L2411F16 填隙用墊片
24 L2411F17 1 L2411F17 填隙用墊片
24 L2411F18 1 L2411F18 填隙用墊片
24 L2411F19 1 L2411F19 填隙用墊片
24 L2411F21 1 L2411F21 填隙用墊片
24 L2411F22 1 L2411F22 填隙用墊片
24 L2411F23 1 L2411F23 填隙用墊片
24 L2411F24 1 L2411F24 填隙用墊片
24 L2411F25 1 L2411F25 填隙用墊片
24 L2411F26 1 L2411F26 填隙用墊片
24 L2411F27 1 L2411F27 填隙用墊片
24 L2411F28 1 L2411F28 填隙用墊片
24 L2411F29 1 L2411F29 填隙用墊片
24 L2411F31 1 L2411F31 填隙用墊片
24 L2411F32 1 L2411F32 填隙用墊片
24 L2411F33 1 L2411F33 填隙用墊片
24 L2411F34 1 L2411F34 填隙用墊片
24 L2411F35 1 L2411F35 填隙用墊片
24 L2411F36 1 L2411F36 填隙用墊片
24 L2411F37 1 L2411F37 填隙用墊片
24 L2411F38 1 L2411F38 填隙用墊片
24 L2411F39 1 L2411F39 填隙用墊片
24 L2411F41 1 L2411F41 填隙用墊片
24 L2411F42 1 L2411F42 填隙用墊片
24 L2411F43 1 L2411F43 填隙用墊片
24 L2411F44 1 L2411F44 填隙用墊片
24 L2411F45 1 L2411F45 填隙用墊片
24 L2411F46 1 L2411F46 填隙用墊片
24 L2411F47 1 L2411F47 填隙用墊片
24 L2411F48 1 L2411F48 填隙用墊片
24 L2411F49 1 L2411F49 填隙用墊片
(24) L2411F01 1 L2411F01I 填隙用墊片
(24) L2411F02 1 L2411F02 填隙用墊片
(24) L2411F03 1 L2411F03 填隙用墊片
(24) L2411F04 1 L2411F04 填隙用墊片
(24) L2411F05 1 L2411F05 填隙用墊片
(24) L2411F06 1 L2411F06I 填隙用墊片
(24) L2411F07 1 L2411F07 填隙用墊片
(24) L2411F08 1 L2411F08 填隙用墊片
(24) L2411F09 1 L2411F09 填隙用墊片
(24) L2411F11 1 L2411F11 填隙用墊片
(24) L2411F12 1 L2411F12 填隙用墊片
(24) L2411F13 1 L2411F13 填隙用墊片
(24) L2411F14 1 L2411F14 填隙用墊片
(24) L2411F15 1 L2411F15 填隙用墊片
(24) L2411F16 1 L2411F16 填隙用墊片
(24) L2411F17 1 L2411F17 填隙用墊片
(24) L2411F18 1 L2411F18 填隙用墊片
(24) L2411F19 1 L2411F19 填隙用墊片
(24) L2411F21 1 L2411F21 填隙用墊片
(24) L2411F22 1 L2411F22 填隙用墊片
(24) L2411F23 1 L2411F23 填隙用墊片
(24) L2411F24 1 L2411F24 填隙用墊片
(24) L2411F25 1 L2411F25 填隙用墊片
(24) L2411F26 1 L2411F26 填隙用墊片
(24) L2411F27 1 L2411F27 填隙用墊片
(24) L2411F28 1 L2411F28 填隙用墊片
(24) L2411F29 1 L2411F29 填隙用墊片
(24) L2411F31 1 L2411F31 填隙用墊片
(24) L2411F32 1 L2411F32 填隙用墊片
(24) L2411F33 1 L2411F33 填隙用墊片
(24) L2411F34 1 L2411F34 填隙用墊片
(24) L2411F35 1 L2411F35 填隙用墊片
(24) L2411F36 1 L2411F36 填隙用墊片
(24) L2411F37 1 L2411F37 填隙用墊片
(24) L2411F38 1 L2411F38 填隙用墊片
(24) L2411F39 1 L2411F39 填隙用墊片
(24) L2411F41 1 L2411F41 填隙用墊片
(24) L2411F42 1 L2411F42 填隙用墊片
(24) L2411F43 1 L2411F43 填隙用墊片
(24) L2411F44 1 L2411F44 填隙用墊片
(24) L2411F45 1 L2411F45 填隙用墊片
(24) L2411F46 1 L2411F46 填隙用墊片
(24) L2411F47 1 L2411F47 填隙用墊片
(24) L2411F48 1 L2411F48 填隙用墊片
(24) L2411F49 1 L2411F49 填隙用墊片
(24) L2411F51 1 L2411F51 填隙用墊片
(24) L2411F52 1 L2411F52 填隙用墊片
(24) L2411F53 1 L2411F53 填隙用墊片
(24) L2411F54 1 L2411F54 填隙用墊片
(24) L2411F55 1 L2411F55 填隙用墊片
(24) L2411F56 1 L2411F56 填隙用墊片
(24) L2411F57 1 L2411F57 填隙用墊片
(24) L2411F58 1 L2411F58 填隙用墊片
(24) L2411F59 1 L2411F59 填隙用墊片
(24) L2411F61 1 L2411F61 填隙用墊片
25 L141DF01 1 3141 D351 凸輪軸
26 L112TF03 1 L112TF03 半圓鍵
27 K418FF05 1 K418FF05 密封 -凸輪軸
28 K418FF02 1 K418FF02 密封 -凸輪軸
29 2314 H008 7 2314 H008 螺旋
30 L2417F01 2 L2417F01I 栓塞
31 L314AF01 4 L314AF01 氣門(mén)座圈
32 L314AF11 4 L314AF11 氣門(mén)座圈
33 L343FF01 8 L343FF02 導入
34 1 導入
35 L2412F01 4 0650576 栓塞
36 L1744F01 4 L1744F01 閥彈簧
37 L1744F01 4 L1744F01 閥彈簧
38 3342 T012 4 3342 T012 帽
39 L112TF03 1 L112TF03 半圓鍵
40 K415JF02 4 K415JF02 氣門(mén)油封
41 L142WF02 8 L142WF02 閥筒夾
42 K415JF02 4 K415JF02 氣門(mén)油封
43 3342 T012 4 3342 T012 帽
44 K418FF05 1 K418FF05 密封 -凸輪軸
45 K418FF02 1 K418FF02 密封 -凸輪軸
46 2314 H008 7 2314 H008 螺旋
47 2314 K159 4 2314 K159 螺旋
48 L312DF01 2 L312DF01 合釘
49 L314AF01 4 L314AF01 氣門(mén)座圈
50 L314AF11 4 L314AF11 氣門(mén)座圈
51 L343FF01 8 L343FF02 導入
52 L2412F01 4 0650576 栓塞
53 L2417F01 2 L2417F01I 栓塞
54 M145DF21 1 M145DF21 汽缸蓋
55 1 汽缸蓋
56 1 蓋
57 1 導入
58 1 標簽
59 1 汽缸蓋
60 1 蓋
61 2314 H008 7 2314 H008 螺旋

項目 零配件號碼 最近的部分號碼
2 2314 H008 7 2314 H008 螺旋
3 2314 K159 4 2314 K159 螺旋
4 L312DF01 2 L312DF01 合釘
5 L314AF01 4 L314AF01 氣門(mén)座圈
6 L314AF11 4 L314AF11 氣門(mén)座圈
6 1 汽缸蓋
7 L343FF01 8 L343FF02 導入
7 1 蓋
8 L2412F01 4 0650576 栓塞
9 L2417F01 2 L2417F01I 栓塞
11 1 汽缸蓋
12 1 蓋
14 1 標簽
15 1 汽缸蓋
16 1 蓋
17 2314 H008 7 2314 H008 螺旋
18 2314 H009 4 2314 K159 螺旋
19 L2417F01 2 L2417F01I 栓塞
20 L312DF01 2 L312DF01 合釘
21 L314AF01 4 L314AF01 氣門(mén)座圈
22 L314AF11 4 L314AF11 氣門(mén)座圈
23 L343FF01 8 L343FF02 導入
25 L2412F01 4 0650576 栓塞
52 2314 H008 7 2314 H008 螺旋
53 2314 K159 4 2314 K159 螺旋
54 L312DF01 2 L312DF01 合釘
55 L314AF01 4 L314AF01 氣門(mén)座圈
56 L314AF11 4 L314AF11 氣門(mén)座圈
57 L343FF01 8 L343FF02 導入
58 L2412F01 4 0650576 栓塞
59 L2417F01 2 L2417F01I 栓塞
61 1 汽缸蓋
62 1 蓋
64 1 標簽
65 1 汽缸蓋
66 1 蓋
67 2314 H008 7 2314 H008 螺旋
68 2314 H009 4 2314 K159 螺旋
69 L2417F01 2 L2417F01I 栓塞
70 L312DF01 2 L312DF01 合釘
71 L314AF01 4 L314AF01 氣門(mén)座圈
72 L314AF11 4 L314AF11 氣門(mén)座圈
73 L343FF01 8 L343FF02 導入
75 L2412F01 4 0650576 栓塞
86 2314 H008 7 2314 H008 螺旋
87 2314 K159 4 2314 K159 螺旋
88 L312DF01 2 L312DF01 合釘
89 L314AF01 4 L314AF01 氣門(mén)座圈
90 L314AF11 4 L314AF11 氣門(mén)座圈
91 L343FF01 8 L343FF02 導入
92 L2412F01 4 0650576 栓塞
93 L2417F01 2 L2417F01I 栓塞
95 1 汽缸蓋
96 1 蓋
98 1 標簽
99 1 汽缸蓋
100 1 蓋
101 2314 H008 7 2314 H008 螺旋
102 2314 H009 4 2314 K159 螺旋
103 L2417F01 2 L2417F01I 栓塞
104 L312DF01 2 L312DF01 合釘
105 L314AF01 4 L314AF01 氣門(mén)座圈
106 L314AF11 4 L314AF11 氣門(mén)座圈
107 L343FF01 8 L343FF02 導入
109 L2412F01 4 0650576 栓塞
134 2314 H008 7 2314 H008 螺旋
135 2314 K159 4 2314 K159 螺旋
136 L312DF01 2 L312DF01 合釘
137 L314AF01 4 L314AF01 氣門(mén)座圈
138 L314AF11 4 L314AF11 氣門(mén)座圈
139 L343FF01 8 L343FF02 導入
140 L2412F01 4 0650576 栓塞
141 L2417F01 2 L2417F01I 栓塞
143 1 汽缸蓋
144 1 蓋
146 1 標簽
147 1 汽缸蓋
148 1 蓋
149 2314 H008 7 2314 H008 螺旋
150 2314 H009 4 2314 K159 螺旋
151 L2417F01 2 L2417F01I 栓塞
152 L312DF01 2 L312DF01 合釘
153 L314AF01 4 L314AF01 氣門(mén)座圈
154 L314AF11 4 L314AF11 氣門(mén)座圈
155 L343FF01 8 L343FF02 導入
157 L2412F01 4 0650576 栓塞
168 2314 H008 7 2314 H008 螺旋
169 2314 K159 4 2314 K159 螺旋
170 L312DF01 2 L312DF01 合釘
171 L314AF01 4 L314AF01 氣門(mén)座圈
172 L314AF11 4 L314AF11 氣門(mén)座圈
173 L343FF01 8 L343FF02 導入
174 L2412F01 4 0650576 栓塞
175 L2417F01 2 L2417F01I 栓塞
177 1 汽缸蓋
178 1 蓋
180 1 標簽
181 1 汽缸蓋
182 1 蓋
183 2314 H008 7 2314 H008 螺旋
184 2314 H009 4 2314 K159 螺旋
185 L2417F01 2 L2417F01I 栓塞
186 L312DF01 2 L312DF01 合釘
187 L314AF01 4 L314AF01 氣門(mén)座圈
188 L314AF11 4 L314AF11 氣門(mén)座圈
189 L343FF01 8 L343FF02 導入
191 L2412F01 4 0650576 栓塞
222 2314 H008 7 2314 H008 螺旋
223 2314 K159 4 2314 K159 螺旋
224 L312DF01 2 L312DF01 合釘
225 L314AF01 4 L314AF01 氣門(mén)座圈
226 L314AF11 4 L314AF11 氣門(mén)座圈
227 L343FF01 8 L343FF02 導入
228 L2412F01 4 0650576 栓塞
229 L2417F01 2 L2417F01I 栓塞
231 1 汽缸蓋
232 1 蓋
234 1 標簽
235 1 汽缸蓋
236 1 蓋
237 2314 H008 7 2314 H008 螺旋
238 2314 H009 4 2314 K159 螺旋
239 L2417F01 2 L2417F01I 栓塞
240 L312DF01 2 L312DF01 合釘
241 L314AF01 4 L314AF01 氣門(mén)座圈
242 L314AF11 4 L314AF11 氣門(mén)座圈
243 L343FF01 8 L343FF02 導入
245 L2412F01 4 0650576 栓塞

項目 零配件號碼 最近的部分號碼
2 2314 H008 7 2314 H008 螺旋
3 2314 K159 4 2314 K159 螺旋
4 L312DF01 2 L312DF01 合釘
5 L314AF01 4 L314AF01 氣門(mén)座圈
6 L314AF11 4 L314AF11 氣門(mén)座圈
6 1 汽缸蓋
7 L343FF01 8 L343FF02 導入
7 1 蓋
8 L2412F01 4 0650576 栓塞
9 L2417F01 2 L2417F01I 栓塞
11 1 汽缸蓋
12 1 蓋
14 1 標簽
15 1 汽缸蓋
16 1 蓋
17 2314 H008 7 2314 H008 螺旋
18 2314 H009 4 2314 K159 螺旋
19 L2417F01 2 L2417F01I 栓塞
20 L312DF01 2 L312DF01 合釘
21 L314AF01 4 L314AF01 氣門(mén)座圈
22 L314AF11 4 L314AF11 氣門(mén)座圈
23 L343FF01 8 L343FF02 導入
25 L2412F01 4 0650576 栓塞
52 2314 H008 7 2314 H008 螺旋
53 2314 K159 4 2314 K159 螺旋
54 L312DF01 2 L312DF01 合釘
55 L314AF01 4 L314AF01 氣門(mén)座圈
56 L314AF11 4 L314AF11 氣門(mén)座圈
57 L343FF01 8 L343FF02 導入
58 L2412F01 4 0650576 栓塞
59 L2417F01 2 L2417F01I 栓塞
61 1 汽缸蓋
62 1 蓋
64 1 標簽
65 1 汽缸蓋
66 1 蓋
67 2314 H008 7 2314 H008 螺旋
68 2314 H009 4 2314 K159 螺旋
69 L2417F01 2 L2417F01I 栓塞
70 L312DF01 2 L312DF01 合釘
71 L314AF01 4 L314AF01 氣門(mén)座圈
72 L314AF11 4 L314AF11 氣門(mén)座圈
73 L343FF01 8 L343FF02 導入
75 L2412F01 4 0650576 栓塞
86 2314 H008 7 2314 H008 螺旋
87 2314 K159 4 2314 K159 螺旋
88 L312DF01 2 L312DF01 合釘
89 L314AF01 4 L314AF01 氣門(mén)座圈
90 L314AF11 4 L314AF11 氣門(mén)座圈
91 L343FF01 8 L343FF02 導入
92 L2412F01 4 0650576 栓塞
93 L2417F01 2 L2417F01I 栓塞
95 1 汽缸蓋
96 1 蓋
98 1 標簽
99 1 汽缸蓋
100 1 蓋
101 2314 H008 7 2314 H008 螺旋
102 2314 H009 4 2314 K159 螺旋
103 L2417F01 2 L2417F01I 栓塞
104 L312DF01 2 L312DF01 合釘
105 L314AF01 4 L314AF01 氣門(mén)座圈
106 L314AF11 4 L314AF11 氣門(mén)座圈
107 L343FF01 8 L343FF02 導入
109 L2412F01 4 0650576 栓塞
134 2314 H008 7 2314 H008 螺旋
135 2314 K159 4 2314 K159 螺旋
136 L312DF01 2 L312DF01 合釘
137 L314AF01 4 L314AF01 氣門(mén)座圈
138 L314AF11 4 L314AF11 氣門(mén)座圈
139 L343FF01 8 L343FF02 導入
140 L2412F01 4 0650576 栓塞
141 L2417F01 2 L2417F01I 栓塞
143 1 汽缸蓋
144 1 蓋
146 1 標簽
147 1 汽缸蓋
148 1 蓋
149 2314 H008 7 2314 H008 螺旋
150 2314 H009 4 2314 K159 螺旋
151 L2417F01 2 L2417F01I 栓塞
152 L312DF01 2 L312DF01 合釘
153 L314AF01 4 L314AF01 氣門(mén)座圈
154 L314AF11 4 L314AF11 氣門(mén)座圈
155 L343FF01 8 L343FF02 導入
157 L2412F01 4 0650576 栓塞
168 2314 H008 7 2314 H008 螺旋
169 2314 K159 4 2314 K159 螺旋
170 L312DF01 2 L312DF01 合釘
171 L314AF01 4 L314AF01 氣門(mén)座圈
172 L314AF11 4 L314AF11 氣門(mén)座圈
173 L343FF01 8 L343FF02 導入
174 L2412F01 4 0650576 栓塞
175 L2417F01 2 L2417F01I 栓塞
177 1 汽缸蓋
178 1 蓋
180 1 標簽
181 1 汽缸蓋
182 1 蓋
183 2314 H008 7 2314 H008 螺旋
184 2314 H009 4 2314 K159 螺旋
185 L2417F01 2 L2417F01I 栓塞
186 L312DF01 2 L312DF01 合釘
187 L314AF01 4 L314AF01 氣門(mén)座圈
188 L314AF11 4 L314AF11 氣門(mén)座圈
189 L343FF01 8 L343FF02 導入
191 L2412F01 4 0650576 栓塞
222 2314 H008 7 2314 H008 螺旋
223 2314 K159 4 2314 K159 螺旋
224 L312DF01 2 L312DF01 合釘
225 L314AF01 4 L314AF01 氣門(mén)座圈
226 L314AF11 4 L314AF11 氣門(mén)座圈
227 L343FF01 8 L343FF02 導入
228 L2412F01 4 0650576 栓塞
229 L2417F01 2 L2417F01I 栓塞
231 1 汽缸蓋
232 1 蓋
234 1 標簽
235 1 汽缸蓋
236 1 蓋
237 2314 H008 7 2314 H008 螺旋
238 2314 H009 4 2314 K159 螺旋
239 L2417F01 2 L2417F01I 栓塞
240 L312DF01 2 L312DF01 合釘
241 L314AF01 4 L314AF01 氣門(mén)座圈
242 L314AF11 4 L314AF11 氣門(mén)座圈
243 L343FF01 8 L343FF02 導入
245 L2412F01 4 0650576 栓塞

項目 零配件號碼 最近的部分號碼
45 L142WF02 8 L142WF02 閥筒夾
46 L142HF11 4 L142HF11 吸入口閥
47 K561AF01 8 K561AF01 挺桿
48 L142HF21 4 L142HF21 排氣閥
49 L141DF01 1 3141 D351 凸輪軸
51 L2411F01 8 L2411F01I 填隙用墊片
60 M145DF21 1 M145DF21 汽缸蓋
76 L1744F01 4 L1744F01 閥彈簧
77 L1744F01 4 L1744F01 閥彈簧
78 3342 T012 4 3342 T012 帽
79 L112TF03 1 L112TF03 半圓鍵
80 K415JF02 4 K415JF02 氣門(mén)油封
81 L142WF02 8 L142WF02 閥筒夾
82 K415JF02 4 K415JF02 氣門(mén)油封
83 3342 T012 4 3342 T012 帽
84 K418FF05 1 K418FF05 密封 -凸輪軸
85 K418FF02 1 K418FF02 密封 -凸輪軸
94 M145DF21 1 M145DF21 汽缸蓋
110 L142HF21 4 L142HF21 排氣閥
111 L142HF11 4 L142HF11 吸入口閥
112 L142WF02 16 L142WF02 閥筒夾
113 L142WF01 16 閥筒夾
114 L1744F01 8 L1744F01 閥彈簧
115 K145JF02 8 K415JF02 密封
116 L341CF01 8 K415JF02 彈簧塾圈
117 3342 T012 8 3342 T012 帽
118 L342TF01 8 3342 T012 帽
119 K561AF01 8 K561AF01 挺桿
120 L2411F01 8 L2411F01I 填隙用墊片
121 L141DF01 1 3141 D351 凸輪軸
123 L112TF03 1 L112TF03 半圓鍵
124 K418FF05 1 K418FF05 密封 -凸輪軸
125 K418FF02 1 K418FF02 密封 -凸輪軸
127 L142WF02 8 L142WF02 閥筒夾
128 L142HF11 4 L142HF11 吸入口閥
129 K561AF01 8 K561AF01 挺桿
130 L142HF21 4 L142HF21 排氣閥
131 L141DF01 1 3141 D351 凸輪軸
133 L2411F01 8 L2411F01I 填隙用墊片
142 M145DF21 1 M145DF21 汽缸蓋
158 L1744F01 4 L1744F01 閥彈簧
159 L1744F01 4 L1744F01 閥彈簧
160 3342 T012 4 3342 T012 帽
161 L112TF03 1 L112TF03 半圓鍵
162 K415JF02 4 K415JF02 氣門(mén)油封
163 L142WF02 8 L142WF02 閥筒夾
164 K415JF02 4 K415JF02 氣門(mén)油封
165 3342 T012 4 3342 T012 帽
166 K418FF05 1 K418FF05 密封 -凸輪軸
167 K418FF02 1 K418FF02 密封 -凸輪軸
176 M145DF21 1 M145DF21 汽缸蓋
192 L142HF21 4 L142HF21 排氣閥
193 L142HF11 4 L142HF11 吸入口閥
194 L142WF02 16 L142WF02 閥筒夾
195 L142WF01 16 閥筒夾
196 L1744F01 8 L1744F01 閥彈簧
197 K145JF02 8 K415JF02 密封
198 L341CF01 8 K415JF02 彈簧塾圈
199 3342 T012 8 3342 T012 帽
200 L342TF01 8 3342 T012 帽
201 K561AF01 8 K561AF01 挺桿
202 L2411F01 8 L2411F01I 填隙用墊片
203 L141DF01 1 3141 D351 凸輪軸
205 L112TF03 1 L112TF03 半圓鍵
206 K418FF05 1 K418FF05 密封 -凸輪軸
207 K418FF02 1 K418FF02 密封 -凸輪軸

項目 零配件號碼 最近的部分號碼
2 2314 H008 7 2314 H008 螺旋
3 2314 K159 4 2314 K159 螺旋
4 L312DF01 2 L312DF01 合釘
5 L314AF01 4 L314AF01 氣門(mén)座圈
6 L314AF11 4 L314AF11 氣門(mén)座圈
6 1 汽缸蓋
7 L343FF01 8 L343FF02 導入
7 1 蓋
8 L2412F01 4 0650576 栓塞
9 L2417F01 2 L2417F01I 栓塞
11 1 汽缸蓋
12 1 蓋
14 1 標簽
15 1 汽缸蓋
16 1 蓋
17 2314 H008 7 2314 H008 螺旋
18 2314 H009 4 2314 K159 螺旋
19 L2417F01 2 L2417F01I 栓塞
20 L312DF01 2 L312DF01 合釘
21 L314AF01 4 L314AF01 氣門(mén)座圈
22 L314AF11 4 L314AF11 氣門(mén)座圈
23 L343FF01 8 L343FF02 導入
25 L2412F01 4 0650576 栓塞
52 2314 H008 7 2314 H008 螺旋
53 2314 K159 4 2314 K159 螺旋
54 L312DF01 2 L312DF01 合釘
55 L314AF01 4 L314AF01 氣門(mén)座圈
56 L314AF11 4 L314AF11 氣門(mén)座圈
57 L343FF01 8 L343FF02 導入
58 L2412F01 4 0650576 栓塞
59 L2417F01 2 L2417F01I 栓塞
61 1 汽缸蓋
62 1 蓋
64 1 標簽
65 1 汽缸蓋
66 1 蓋
67 2314 H008 7 2314 H008 螺旋
68 2314 H009 4 2314 K159 螺旋
69 L2417F01 2 L2417F01I 栓塞
70 L312DF01 2 L312DF01 合釘
71 L314AF01 4 L314AF01 氣門(mén)座圈
72 L314AF11 4 L314AF11 氣門(mén)座圈
73 L343FF01 8 L343FF02 導入
75 L2412F01 4 0650576 栓塞
86 2314 H008 7 2314 H008 螺旋
87 2314 K159 4 2314 K159 螺旋
88 L312DF01 2 L312DF01 合釘
89 L314AF01 4 L314AF01 氣門(mén)座圈
90 L314AF11 4 L314AF11 氣門(mén)座圈
91 L343FF01 8 L343FF02 導入
92 L2412F01 4 0650576 栓塞
93 L2417F01 2 L2417F01I 栓塞
95 1 汽缸蓋
96 1 蓋
98 1 標簽
99 1 汽缸蓋
100 1 蓋
101 2314 H008 7 2314 H008 螺旋
102 2314 H009 4 2314 K159 螺旋
103 L2417F01 2 L2417F01I 栓塞
104 L312DF01 2 L312DF01 合釘
105 L314AF01 4 L314AF01 氣門(mén)座圈
106 L314AF11 4 L314AF11 氣門(mén)座圈
107 L343FF01 8 L343FF02 導入
109 L2412F01 4 0650576 栓塞
134 2314 H008 7 2314 H008 螺旋
135 2314 K159 4 2314 K159 螺旋
136 L312DF01 2 L312DF01 合釘
137 L314AF01 4 L314AF01 氣門(mén)座圈
138 L314AF11 4 L314AF11 氣門(mén)座圈
139 L343FF01 8 L343FF02 導入
140 L2412F01 4 0650576 栓塞
141 L2417F01 2 L2417F01I 栓塞
143 1 汽缸蓋
144 1 蓋
146 1 標簽
147 1 汽缸蓋
148 1 蓋
149 2314 H008 7 2314 H008 螺旋
150 2314 H009 4 2314 K159 螺旋
151 L2417F01 2 L2417F01I 栓塞
152 L312DF01 2 L312DF01 合釘
153 L314AF01 4 L314AF01 氣門(mén)座圈
154 L314AF11 4 L314AF11 氣門(mén)座圈
155 L343FF01 8 L343FF02 導入
157 L2412F01 4 0650576 栓塞
168 2314 H008 7 2314 H008 螺旋
169 2314 K159 4 2314 K159 螺旋
170 L312DF01 2 L312DF01 合釘
171 L314AF01 4 L314AF01 氣門(mén)座圈
172 L314AF11 4 L314AF11 氣門(mén)座圈
173 L343FF01 8 L343FF02 導入
174 L2412F01 4 0650576 栓塞
175 L2417F01 2 L2417F01I 栓塞
177 1 汽缸蓋
178 1 蓋
180 1 標簽
181 1 汽缸蓋
182 1 蓋
183 2314 H008 7 2314 H008 螺旋
184 2314 H009 4 2314 K159 螺旋
185 L2417F01 2 L2417F01I 栓塞
186 L312DF01 2 L312DF01 合釘
187 L314AF01 4 L314AF01 氣門(mén)座圈
188 L314AF11 4 L314AF11 氣門(mén)座圈
189 L343FF01 8 L343FF02 導入
191 L2412F01 4 0650576 栓塞
222 2314 H008 7 2314 H008 螺旋
223 2314 K159 4 2314 K159 螺旋
224 L312DF01 2 L312DF01 合釘
225 L314AF01 4 L314AF01 氣門(mén)座圈
226 L314AF11 4 L314AF11 氣門(mén)座圈
227 L343FF01 8 L343FF02 導入
228 L2412F01 4 0650576 栓塞
229 L2417F01 2 L2417F01I 栓塞
231 1 汽缸蓋
232 1 蓋
234 1 標簽
235 1 汽缸蓋
236 1 蓋
237 2314 H008 7 2314 H008 螺旋
238 2314 H009 4 2314 K159 螺旋
239 L2417F01 2 L2417F01I 栓塞
240 L312DF01 2 L312DF01 合釘
241 L314AF01 4 L314AF01 氣門(mén)座圈
242 L314AF11 4 L314AF11 氣門(mén)座圈
243 L343FF01 8 L343FF02 導入
245 L2412F01 4 0650576 栓塞
